Hello I want to transfer information from word file to poster and organizingThanks attached files:information : in word file3 poster template : in power point file (use better one)
College of Engineering
SEEB SEWAGE TREATMENT PLANT
Module Leader: Dr. Basim Al Khateeb
Student Name: Ahmed Hamood Al Rawahi
Name of Module with Code: Advanced Wastewater Treatment : MHH124598
i. List of tables……………………………………………………………………..…3
ii. List of figure………………………………..……………………………………...4
1. Introduction………………………………………………………………………..5
2. Design aspect of the wastewater treatment plant………………….………..….….6
2.1. Design calculation………………………...……………..………………………7
3. Operational aspect of the wastewater treatment plant……………....……………11
3.1. Physical Therapy…………………………………..............................................11
3.2. Tertiary/ Chemical Treatment Processes……………………….…………....….12
3.3. MPR Technology………………………………………………………………...13
4. Environmental significant……………………………………….……………...….13
4.1. Problems that occur to the environment and the reason for the filtering process..........................................................................................................................14
4.2. Ministry of environmental and climatic affairs………………..…………....……14
6. Conclusion………………………………………………………………………….15
7. Reference……………………………………………………………………...........16
i. List of tables:
| Sr.No | Tital of subject | Page of Number |
| 1) | Ministry of environmental and climatic affairs. | Page 14 |
List of figures:
| Page of Number | Title | Sr.No |
| Page 10 | Diagram of facility. | Figure 1 |
| Page 11 | Seeb STP _ MPS-1 | Figure 2 |
| Page 12 | Sludge Treatment Unit | Figure 3 |
| Page 12 | Tertiary Treatment Unit | Figure 4 |
| Page 13 | MPR | Figure 5 |
1. Introduction:
Al-Seeb station incorporates water treatment works, siphoning stations and a wide system of pipelines. They additionally have a compost plant in Amarat to exchange strong sewage squander and in addition natural waste to a significant product, which is manure (both). It likewise bolsters arranging, horticulture and reusing of sewage for water system. In 2014 Haya Water Company was appointed from the State Station to give administrations to all areas of Oman. Upon my visit to this station, the crisis exits were distinguished and the proper behavior if there should be an occurrence of hearing the sound of the notice and where it is important to gather until the point when the crisis closes. And also, not to utilize the lift in case of a fire. There are numerous sorts of crisis gear in the site, for example, fire quenchers, fire hoses, and emergency treatment hardware. Additionally, when you go to a live station, you should abstain from moving apparatus or spots that include the danger of falling into profound water, for example, lakes or repositories. What's more, when you go to visit work locales, you should wear individual wellbeing hardware spoke to in the head protector, security vest and security shoes.
The focal wastewater treatment plant is the principle part of the wastewater treatment process and incorporates a few offices intended to screen the constant task of the plant:
•Central Processing Units.
•Water Testing Laboratory
•Chlorine Production Unit
•Treated Water Storage Basins.
•Control Rooms.
•Administration Offices
The STP procedure comprises of the primary siphoning station, the optional feeder unit and the smell control unit. In the SeebSTP _ MPS 1, the wet profundity is 15.5 meters starting from the earliest stage and additionally the span of the wet well 213 cubic meters and there are 6 well siphons. Also, siphon task relies upon the dimension.
Structuring a sewage treatment plant is imperative whether it is effective or unsuccessful. At the operational stage it depends on plan ideas. There are a few points that ought to be considered for STEP's structure:
1) Find out the genuine numbers that are utilized for the plan.
For instance, the genuine number of populace and the normal stream rate of a person.
2) As a thought for the base and normal control and streams that go to the sewage treatment plant as successful in every unit procedure because of water driven.
3) notwithstanding knowing the end populace toward the finish of the arranging skyline, it ought to be intended to be adequate for a significant lot of time
Sewage treatment plant (STP) is the treatment of shut sewage. As the principal totally shut plant in Oman limit of 26,000 cubic meters. There are likewise four siphoning stations of them (MPS-2, MPS-3, Al Mobellah and Al Khoud) are situated outside the STP.
The fundamental siphoning station (MPS-1) exchanges the gathering of sewage from underground sewage funnels to the treatment plant.
Structuring a sewage treatment plant is vital whether it is effective or unsuccessful. At the operational stage it depends on plan ideas. There are a few that ought to be considered for STEP's structure:
1) Find out the genuine numbers that are utilized for the structure.
For instance, the genuine number of populace and the normal stream rate of a person.
2) As a thought for the base and normal control and streams that go to the sewage treatment plant as successful in every unit procedure because of water powered.
3) notwithstanding knowing the end populace toward the finish of the arranging skyline, it ought to be intended to be adequate for a significant lot of time.
Sewage treatment plant (STP) is the treatment of shut sewage. As the primary totally shut plant in Oman limit of 26,000 cubic meters. There are additionally four siphoning stations of them (MPS-2, MPS-3, Al Mobellah and Al Khoud) are situated outside the STP.
The fundamental siphoning station (MPS-1) exchanges the accumulation of sewage from underground sewage channels to the treatment plant.
The A'Seeb wastewater one errand will be Muscat's underlying wastewater organization system. Covering 189 mi2 (490 km2) for made urban condition, the framework was intended for more than civil sanitation—it Additionally supplements those locale's water resources Eventually Tom's scrutinizing treating 100% about wastewater of the fantastic dimension required to beneficial reuse Furthermore passes on those reused water. The water treatment plant in the province of Al-Seeb is added to the indispensable undertaking, which attempts to treat the water coursing through the systems and the limit of around 60 thousand cubic meters for each day as a first stage and 80 thousand cubic meters as a second period of treatment water.
The STP procedure comprises of the fundamental siphoning station, the optional feeder unit and the smell control unit. In the Seeb STP _ MPS 1, the wet profundity is 15.5 meters starting from the earliest stage and additionally the extent of the wet well 213 cubic meters and there are 6 well siphons.
2. Design aspect of the wastewater treatment plant:
2.1 Design calculation:
Data given:
BOD
minimum = 350 mg/L
maximum = 400 mg/L
Q = design flow = 119232 m3 /d
sludge age = 10 d
Y = 0.65 mg VSS/mg soluble BOD
kd = 0.05
volatile MLSS = 1600 mg/L
The influent total BOD = 375 mg/L with a soluble BOD= 260 mg/L.
The design effluent total BOD = 30 mg/L with a soluble BOD = 9.0 mg/L.
Aeration tank volume:
Aeration period:
F/M:
Excess biomass in the waste activated sludge per day:
(Px = volatile solids in the waste sludge, g/day)
The rate of sludge production:
Assuming the solids are 80% volatile, total production would be;
Assume the underflow solids concentration; Xr = 15,000 mg/L.
The hydraulic retention time in the reactor is;
O2 demand:
Calculate the volume of air to be supplied:
At standard condition:
T = 20oC
Pressure = 1 atm
Air density = 1.185 kg/m³
% Oxygen by mass in air = 23.2% = 0.232
Assuming 100% oxygen transfer efficiency:
Assume 7% oxygen transfer efficiency:
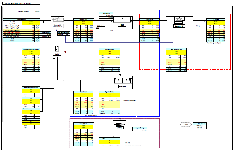
FIGURE 1: Diagram of facility
3. Operational aspect of the wastewater treatment plant:
3.1 Physical Therapy:
Toward the start of the wastewater treatment plant, the emanating is siphoned from the siphon. Two ventilated tanks will at that point be embedded into the ventricle where they are enacted by the utilization of coarse air pocket diffusers for three reasons:
•Reduction of septicity.
•Prevent the settlement of solids in the sewers.
•There are three quantities of radial blowers which are providing air to the oxygen consuming tanks, and MPR tanks.
•Remove questions by utilizing a drum.
•Drum screens are given clothing water siphons.
•Remove materials that buoy and cause disturbance in the downstream procedure.
•The blower is utilized to supply air to various territories: eg, before venting tank.
•Pump water from waste to the channel entrance screens for the drum, by utilizing a reused siphon and a seepage siphon to withdraw.
3.2 Tertiary/Chemical Treatment Processes:
•Odor and gas control unit: This unit comprises of hydrogen sulfide, smelling salts and the expulsion of gas it is loaded up with ventilation tanks by washing synthetic concoctions.
•In expansion, harsh soft drink dosages are given to change the pH of the fluid.
•6 TE Pumps accessible and 2 more will be in activity in Phase 2.
•The Plant pursues standard A Treated Effluent Specification.
•Finally, water is siphoned into the water framework, for instance, water system systems and stacking of oil tankers.


Figure 3:Sludge Treatment Unit Figure 4: Tertiary Treatment Unit
3.3 MPR Technology:
The membrane bioreactor (MPR) is a combination of a membrane process such as micro filtration with a bioreactor. And the industrial waste water treatment capacity of the sewage treatment plant reaches 48 million liters per day.

Figure 5: MPR
4. Environmental significant:
Working in Haya is an occupation since it centers around the entirety of their endeavors towards the natural objective by following the standards of the earth.
This task is one of the building undertakings to reuse wastewater treatment. In this manner, its prosperity will influence Omani advancement as awhole and not simply Muscat.
For instance, medical problems, and contamination created, will be enhanced, conventional sanitation frameworks are lessened, and a few sicknesses are decreased, groundwater moderated and shielded from contamination.
One case of a natural association is the "Kala Compost". Is the common Omani organization made of (biosolids) taken from waste water and green waste, for instance tree leaves and branches.
Kala Compost is created in Haya Water Factory which is situated in Al-Amerat in Muscat Governorate and has a limit of 40 and 000 tons of manure every year. Manure is tried in vitro at the processing plant's pre-showcase area. They are bundled in eco-sacks and are decomposable and accessible in 10 liters, 20 liters, 50 liters, packs indicating item pictures fabricated and their outcomes in plants.
4.1 Problems that jump out at nature and the explanation behind the separating procedure:
•Chemical unsafe added substances for specialists.
•The high stream is deficient for treatment and is transported to the ocean and this damages wellbeing.
•The number of fine screen is sufficient.
4.2 Ministry of environmental and climatic affairs:
| Parameter | System | Unit | Use in irrigation | |
| Standard A | Standard B | |||
| PH | PH | - | Rang 6-9 | Rang 6-9 |
| Total suspended solids. | TSS | µs/cm | 15.0 | 30.0 |
| Total Dissolved solids. | TDS | m/l | 1500.0 | 2000.0 |
| Nitrite Nitrogen. | N- NO3 | mg/l | - | - |
| Nitrate. | NO3 | mg/l | 50.0 | 50.0 |
| Chloride | CL | mg/l | 650.000 | 650.000 |
5. Conclusion:
Venture underpins the extension of the seeb Sewage treatment Plant in Muscat, Oman. This undertaking incorporates the extension of the second stage, with a course of 20,000 cubic meters for every day. Also, the limit of the sewage plant is expanded from 62,000 cubic meters for every day to 82,000 cubic meters for each day. With the end goal to suit bigger amounts of sewage in the Seeb. Moreover this task incorporates the development of a sewage treatment plant with a greatest limit of 80 thousand cubic meters for every day. It additionally incorporates 3 siphoning stations, treated wastewater stockpiling tanks and a 3.5 km long seawater pipeline. Additionally the stream is constantly done through the systems of houses and development. The different treatment units are controlled by the control room in a way furnished with refined and propelled strategies that assistance to screen the activity of the treatment procedure persistently and productively. In addition, at the sewage plant in Sip, distinctive examples of the treatment units are gathered consistently and the essential tests are done to evaluate the effectiveness of the treatment procedure.
References:
Bncnetwor, 2016, Seeb-Sewerage-Treatment-Plant. [Online]. Available at https://bncnetwork.net/...Seeb-Sewerage-Treatment-Plant [Accessed on 20/11/2018]
Parsons, 2014, Aseeb-wastewater-project. [Online]. Available at .https://www.protenders.com [Accessed on 20/11/2018]
Pretenders, 2o17, tanks seeb sewage treatment.[Online].Available at https://www.protenders.com [Accessed on 21/11/2018]
Ssiaeration, 2016, Design wastewater treatment plant. [Online]. Available at www.ssiaeration.com/sewage/treatment [Accessed on 21/11/2018].
18| Page