Would like to get some help on my EET homework I have attached the assignment and it must be completed using LogixPro PLC Simulator so need someone familiar with using the simulator. If you don't have
Unit 4 Lab Assignment: Developing Fundamental PLC wiring Diagrams & Ladder Logic Programs (Part 2)
Lab Objectives:
Develop ladder logic programs based on operational requirements.
Use different instruction methods and addressing to perform specified tasks.
Prelab requirements:
Before starting the lab assignment, complete the following:
Make sure you can access the LogixPro PLC Simulator. The simulator is available on the local classroom PC. You can also access the LogixPro PLC Simulator via the XenDesktop. Instructions to access the XenDesktop is available under Course Foundations section of this course.
To familiarize yourself with the software, read and work through the "Getting Started with RSLogix and LogixPro". This document is also available at the beginning of the Lab Manual.
Lab Instructions:
This lab is comprised of two parts. All parts are available in your lab manual, but for your convenience, they are also included below. All parts will use the LogixPro PLC Simulator.
General Requirements for all Parts:
For each program you develop, make sure that your name is added as a comment to rung 0 followed by the file name such as ‘Lab 1-1’.
Select the rung and hit right-click. You should get the options shown below.
Choose ‘Edit Rung Comment’ and enter your name followed by the lab number as shown below.

You must provide appropriate instruction symbol/name for each instruction used in your ladder logic program, e.g.,
Part I:
Complete Assignment 5-7 shown below; it is also located in chapter 5 of your lab manual.
| 5-7 Write a documented program that will implement all of the following tasks:
Use the I/O Simulator screen and the specified addresses to simulate the program. Petruzella, Frank. LogixPro PLC Lab Manual for Programmable Logic Controllers, 5th Edition. McGraw-Hill Learning Solutions, 1/2016. VitalBook file. |
Save this program as EET231L_U4_Lab2-1_FirstNameLastName.rsl.
Part II:
Complete Assignment 5-13 shown below; it is also located in chapter 5 of your lab manual.
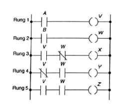
| 5-13 Write a documented program that will implement the ladder logic shown. Use the I/O Simulator screen and the following addresses to simulate the program: A _ I:1/0 B _ I:1/1 V _ O:2/0 W _ O:2/1 X _ O:2/2 Y _ O:2/3 Z _ O:2/4
List what outputs will be energized for each of the following input conditions:
Petruzella, Frank. LogixPro PLC Lab Manual for Programmable Logic Controllers, 5th Edition. McGraw-Hill Learning Solutions, 1/2016. VitalBook file. |
Save this program as EET231L_U4_Lab2-2_FirstNameLastName.rsl.
Submission Requirements
You are required to submit the following:
All LogixPro files (*.rsl) for the parts of the lab following the proper naming convention.
EET231L_U4_Lab2-1_FirstNameLastName.rsl
EET231L_U4_Lab2-2_FirstNameLastName.rsl
One document outlining the following:
Program flowchart or needed truth table(Visio can be used to develop the flowchart)
Input and Output table
Your Lab Assignment will be graded according to the below marking guide.
Marking Guide
| Sections | Points | Criteria | Ratings | |
| Full Marks | No Marks | |||
| Overall Format | Name is added as a comment to rung 0 followed by the file name such as ‘Lab 1-1’ for each submitted program, e.g., | 5 points | 0 points | |
| Appropriate instruction symbol/name for each instruction used in the ladder logic program, e.g., | 5 points | 0 points | ||
| Part I | 45 | Proper program commenting and labeling | 5 points | 0 points |
| Design Methodology | 15 points | 0 points | ||
| Correct Functionality according to specifications | 25 points | 0 points | ||
| Part II | 45 | Proper program commenting and labeling | 5 points | 0 points |
| Design Methodology | 15 points | 0 points | ||
| Correct Functionality according to specifications | 25 points | 0 points | ||
