Would like to get some help on my EET homework I have attached the assignment and it must be completed using LogixPro PLC Simulator so need someone familiar with using the simulator. If you don't have

Unit 4 Lab Assignment 1: Developing Fundamental PLC wiring Diagrams & Ladder Logic Programs


Lab Objectives:

  • Develop ladder logic programs based on operational requirements.

  • Use different instruction methods and addressing to perform specified tasks.


Prelab requirements:

Before starting the lab assignment, complete the following:

  • Make sure you can access the LogixPro PLC Simulator. The simulator is available on the local classroom PC. You can also access the LogixPro PLC Simulator via the XenDesktop. Instructions to access the XenDesktop is available under Course Foundations section of this course.

  • To familiarize yourself with the software, read and work through the "Getting Started with RSLogix and LogixPro". This document is also available at the beginning of the Lab Manual.

Lab Instructions:

This lab is comprised of one part. All parts are available in your lab manual, but for your convenience, they are also included below. All parts will use the LogixPro PLC Simulator.

General Requirements for all Parts:

  1. For each program you develop, make sure that your name is added as a comment to rung 0 followed by the file name such as ‘Lab 1-1’.

    1. Select the rung and hit right-click. You should get the options shown below.

    2. Choose ‘Edit Rung Comment’ and enter your name followed by the lab number as shown below.

Would like to get some help on my EET homework I have attached the assignment and it must be completed using LogixPro PLC Simulator so need someone familiar with using the simulator. If you don't have 1

  1. You must provide appropriate instruction symbol/name for each instruction used in your ladder logic program, e.g.,


Part I:

  • Complete Assignment 5-6 shown below; it is also located in chapter 5 of your lab manual.


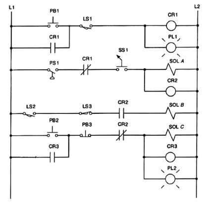
5-6 Write a documented program that will implement the hardwired relay control circuit shown without the use of control relays CR1, CR2, and CR3. Use the I/O Simulator screen and the following addresses to simulate the program:

PB1 _ I:1/2

LS1 _ I:1/0

PS1 _ I:1/1

SS1 _ I:1/6

LS2 _ I:1/7

LS3 _ I:1/4

PB2 _ I:1/3

PB3 _ I:1/5

PL1 _ O:2/0

SOL A _ O:2/1

SOL B _ O:2/2

SOL C _ O:2/3

PL2 _ O:2/4

Would like to get some help on my EET homework I have attached the assignment and it must be completed using LogixPro PLC Simulator so need someone familiar with using the simulator. If you don't have 2

Petruzella, Frank. LogixPro PLC Lab Manual for Programmable Logic Controllers, 5th Edition. McGraw-Hill Learning Solutions, 1/2016. VitalBook file.


  • Save this program as EET231L_U4_Lab1_FirstNameLastName.rsl.

Would like to get some help on my EET homework I have attached the assignment and it must be completed using LogixPro PLC Simulator so need someone familiar with using the simulator. If you don't have 3

Would like to get some help on my EET homework I have attached the assignment and it must be completed using LogixPro PLC Simulator so need someone familiar with using the simulator. If you don't have 4

Would like to get some help on my EET homework I have attached the assignment and it must be completed using LogixPro PLC Simulator so need someone familiar with using the simulator. If you don't have 5

Rung 1


Would like to get some help on my EET homework I have attached the assignment and it must be completed using LogixPro PLC Simulator so need someone familiar with using the simulator. If you don't have 6

Rung 2


Would like to get some help on my EET homework I have attached the assignment and it must be completed using LogixPro PLC Simulator so need someone familiar with using the simulator. If you don't have 7

Rung 3


Would like to get some help on my EET homework I have attached the assignment and it must be completed using LogixPro PLC Simulator so need someone familiar with using the simulator. If you don't have 8

Rung 4




Submission Requirements

You are required to submit the following:

  • All LogixPro files (*.rsl) for the parts of the lab following the proper naming convention.

    • EET231L_U4_Lab2-1_FirstNameLastName.rsl


  • One document outlining the following:

    • Program flowchart or needed truth table(Visio can be used to develop the flowchart)

    • Input and Output table



Your Lab Assignment will be graded according to the below marking guide.

Marking Guide

Sections

Points

Criteria

Ratings

Full Marks

No Marks

Overall Format

Name is added as a comment to rung 0 followed by the file name such as ‘Lab 1-1’ for each submitted program, e.g.,

5 points

0 points

Appropriate instruction symbol/name for each instruction used in the ladder logic program, e.g.,

5 points

0 points

Part I

90

Proper program commenting and labeling

10 points

0 points

Design Methodology

30 points

0 points

Correct Functionality according to specifications

50 points

0 points