Lab about basic elements and Kirchoff's law, fill in as much as possible (you may skip the lab data part). Price can be discussed
- Basic elements & Kirchhoff’s laws
The aim of this lab experiment is to:
Study the properties of series and parallel combination of resistors.
Validate voltage and current division laws.
Examine and verify Kirchhoff’s Current and Voltage Laws (KCL and KVL).
List of suggested videos:
| | Breadboard/Prototyping board |
| | Power supply |
| | Multimeter |
List of suggested guides from Appendix:
Prototyping board (Breadboard)
DC power supply
Digital multimeter
For your pre-lab work, please answer the following questions before coming to the lab.
How can you identify whether two electric elements are connected in parallel or in series? Is there any other form of connection between electric elements?
| |
Draw the circuit for a current divider with resistors
and
and derive the equations for the currents going through these resistors.
Draw the circuit for a voltage divider with resistors
and
and derive the equations for the voltages across these resistors.
| |
Consider the circuits given in Figure 3.1. Calculate the equivalent resistance of the circuits as seen from the voltage source
if all lightbulbs are of equal resistance
.
| | | |
| (a) | (b) | (c) |
Figure 3.1: Circuits with lightbulbs for Pre-Lab 3.
| |
Consider the circuit of Figure 3.2. Calculate the voltages of nodes a, b, c and d with respect to the reference node G (ground).
Figure 3.2: Resistive circuit for Pre-Lab 3.
| |
Calculate the currents through all the resistors in the circuit (choose the directions as you see fit).
| |
| Pre-Lab 3 | Date: | Assessor name and signature: | Mark: |
Please complete all the tasks given in this section during the lab session. Do not forget to watch the related lab videos and guides that are suggested for this lab experiment.
Required componentsIn this experiment you will be required to use the following components:
A breadboard.
Miniature lightbulbs.
,
,
,
,
, and
resistors.
- Series and parallel connections
The first part of Section I of Lab Experiment 3 uses the remote lab practical setup in Figure 3.3. You will use this practical setup to remotely configure the circuit of Figure 3.4 by opening/closing the relevant relay switches.

Figure 3.3: First remote lab setup for Section I of Lab Experiment 3.
Figure 3.4: Single lightbulb circuit with DC power supply for Lab Experiment 3.
Open/close the relays to connect the lightbulb to the DC power supply as shown in Figure 3.4. Start with
and measure the current through lightbulb A using the digital multimeter. Increase the voltage in steps of
up to a maximum of
, and for each voltage measure the current through the lightbulb. Record all your measurements in the Table below. Then, calculate the resistance of the lightbulb for each set of measured voltage and current.
| Voltage | Current | Resistance (calculated) |
| | | |
| | | |
| | | |
Repeat the previous experiment using a
resistor instead of lightbulb
in the circuit shown in Figure 3.4 by opening/closing the relevant relay switches in Figure 3.3. Record all your measurements in the following Table, and then calculate the resistance for each set of measured voltage and current.
| Voltage | Current | Resistance (calculated) |
| | | |
| | | |
| | | |
Sketch the
-
curves of the lightbulb and the resistor in the graph below and explain your observation in terms of the behaviour of both lightbulb and resistor under different voltages and currents, particularly for the resistance of the lightbulb. Does it remain constant? Why?
| |
ASK YOUR DEMONSTRATOR TO COME CHANGE THE LAB PRACTICAL SETUP NOW
The remainder of Section I uses the remote lab practical setup in Figure 3.5. You will use this practical setup to remotely configure the circuits in Figure 3.6(a-b) by opening/closing the relevant relay switches.
Please note that you should NEVER have relay switches S4 and S6 closed at the same time as this may short-circuit the power supply.

Figure 3.5: Second remote lab setup for Section I of Lab Experiment 3.
| | |
| (a) | (b) |
Figure 3.6: Simple circuits with lightbulbs and DC power supply for Lab Experiment 3: (a) two lightbulbs in series, and (b) two lightbulbs in parallel.
Consider the circuits shown in Figure 3.6. Considering the nominal resistance of each bulb equal to
and
, calculate their corresponding voltage, current and power. Record your calculated results in the following Table.
| |
| Bulb | Voltage | Current | Power |
| B | | | |
| C | | | |
| D | | | |
| E | | | |
Configure the circuit shown in Figure 3.6(a) using the remote lab practical setup in Figure 3.5. Supply the circuit with
(
). Observe the brightness of lightbulbs
and
. You should take a screenshot of the webcam image of the bulbs.
Next, configure the circuit shown in Figure 3.6(b) with the same supply voltage. Observe the brightness of lightbulbs and
, and take a screenshot of the webcam image of the bulbs.
Now, make comparisons between the brightness of each of the bulbs in the two circuits by adequately describing what you mean in your comparison, i.e., use adjectives such as “the same brightness as”, “brighter than”, “dimmer than”, and so on. Provide all necessary explanations to justify your comparison, using your results from the previous question. Based on your observations, which electrical parameter impacts the brightness?
| |
- KVL and KCL
ASK YOUR DEMONSTRATOR TO COME CHANGE THE LAB PRACTICAL SETUP NOW
The first part of Section II uses the remote lab practical setup in Figure 3.7. You will use this practical setup to remotely configure the circuit in Figure 3.8 and measure voltages in the circuit by opening/closing the relevant relay switches.
NEVER close relays S12 and S15 at the same time otherwise can short-circuit power supply.
NEVER close relays S10 and S16 at the same time otherwise can short-circuit power supply.
NEVER close relays S11 and S13 at the same time otherwise can short-circuit power supply.

Figure 3.7: First remote lab setup for Section II of Lab Experiment 3.
Figure 3.8: Resistive circuit for Lab Experiment 3.
Using the remote lab setup in Figure 3.7, configure the relays to separately measure the voltages of nodes a, b, c and d with respect to reference node G (as marked in Figure 3.8) using the digital multimeter, and write them down in the Table below. How do they compare with the calculated values in Lab 3: Pre-lab work question 4?
| Voltage | Calculated value | Measured value | Comments |
| | | | |
| | | | |
| | | | |
| | | | |
Now reconfigure the relays to separately measure the voltages
,
,
, and
using the digital multimeter and write these values down in the table below.
| Voltage | Measured value |
| | |
| | |
| | |
| | |
ASK YOUR DEMONSTRATOR TO COME CHANGE THE LAB PRACTICAL SETUP NOW
The remainder of Section II uses the remote lab practical setup in Figure 3.9. You will use this practical setup to remotely configure the circuit in Figure 3.8 and measure currents in the circuit by opening/closing the relevant relay switches.

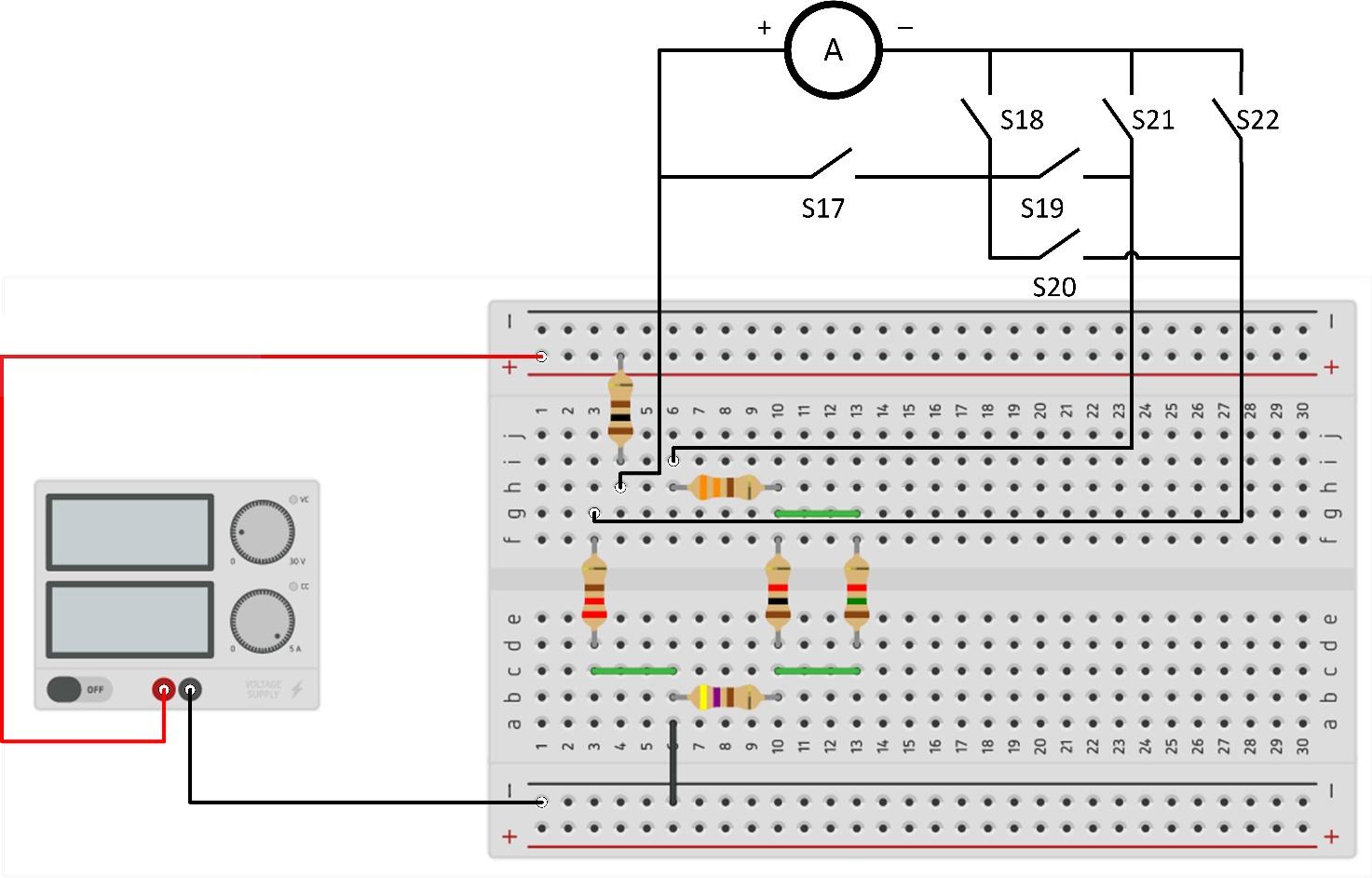
Figure 3.9: Second remote lab setup for Section II of Lab Experiment 3.
Find the current through the -
,
-
and
-
resistors, (a) using the measured voltage across the resistances from the previous question (use nominal values for resistors and neglect resistor tolerances for this part), and (b) directly measuring them using the multimeter by opening/closing the relevant relays in the remote setup in Figure 3.9. Record all your results in the following Table and compare them with the calculated values in in Lab 3: Pre-lab work question 5. Make sure to label the current directions that you chose for calculation and measurements on the circuit of Figure 3.8.
| Current | Measured voltage | Calculated current using measured voltage and nominal resistance | Measured current using multimeter | Calculated current from Pre-lab |
| | | | | |
| | | | | |
| | | | | |
| |
Apply KCL at node b using the current values measured with the multimeter and the calculated ones, with the directions that you have chosen and labelled in the previous question. Verify that the KCL equations are satisfied using both sets of values (measured and calculated) and comment on the differences in the equations.
Apply KVL for loops 1 and 2 as shown in Figure 3.10 (i.e., in the clockwise direction), using both the measured and calculated voltage values. Verify that the KVL equations are satisfied using both sets of values (measured and calculated) and comment on the differences in the equations.
Figure 3.10: Resistive circuit with given outer and inner loops for applying KVL.
| |